Корпусний кулькопідшипниковий вузол на лапах: кульковий, самовстановлюваний підшипник зі сферичною зовнішньою обоймою в чавунному корпусі.

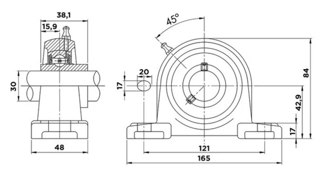
Габаритні розміри в міліметрах

UCP 206 параметри
| Форма корпусу | На лапах |
| Маркування підшипника | UC206 |
| Маркування корпусу | P206 |
| Матеріал корпусу | Чавун |
| Тип навантажень | Комбіновані (Осові та радіальні) |
| Бренд | Китай |
Ціна на UCP 206 безпосередньо залежить від виробника.
Кулькові підшипники в корпусі на лапах китайського виробництва UCP 206 NT за ціною найдешевші на ринку. Якщо ж шукайте вироби найвищої якості, у каталозі Брендпідшипник представлений повний спектр корпусних підшипників ucp 206 преміального класу, виробників SKF,FAG, KOYO, NSK.
Стаціонарний підшипниковий вузол ucp 206 у корпусі на лапах являє собою підшипник uc 206 корпусний із двостороннім ущільненням у корпусі P206 у зборі. Самоцентровані корпусні підшипники ucp зі сферичною зовнішньою обоймою встановлені в литий чавунний корпус. Кріплення на валу виробу здійснюється за допомогою опорного гвинта та болтів. Підшипник обладнаний ущільнювальним захистом проти пилу та бруду, а також маслянкою для змащування. Внутрішній діаметр ucp206 = 30 мм.
Корпусний кулькопідшипниковий вузол UCP 206 застосовується деревообробна, текстильна та харчова промисловості, у обладнанні гірськодобувної галузі, у сільськогосподарській та будівельній техніці та обладнанні. Підшипник ucp206 розрахований на осьові та радіальні навантаження.
Купити підшипник на лапах UCP 206 (480206) можна за допомогою кошика, оформивши замовлення онлайн, або ж зв'язавшись із менеджерами магазину Бренд Підшипник щодня з 08.00 до 20.00 зручним способом:
Телефон: +38 (050) 817-94-80.
Під час оформлення замовлення або купівлі UCP 206 до 15.00 відправлення відбувається на день замовлення, після 15.00 — наступного дня.
| Основні | |
|---|---|
| Виробник | NT |
| Країна виробник | Китай |
| Вага | 1.24 кг |
| Матеріал виробу | Сталь |
| Матеріал сепаратора | Вуглецева сталь |
| Форма тіла кочення | Кулька |
| Кількість рядів тіл кочення | 1 шт. |
| Габаритні розміри | |
| Внутрішній діаметр | 30 мм |
| Додаткові характеристики | |
| Динамічне навантаження | 19.5 Н |
| Статичне навантаження | 11.3 Н |
| Користувальницькі характеристики | |
| Вид навантаження | Радіальна |
| Вид підшипника | Кочення |
| Матеріал корпусу | Чавун |
| Особливості підшипника | Самоустановлювальні |
| Прес-маслянка | Да |
| Сепаратор | Так |
| Стан | Нове |
| Стопорне кільце | Немає |
| Тип підшипника кочення | Кульковий |
| Ущільнення | Закритий з двох сторін захисними шайбами |
| Форма внутрішньої обойми | Циліндрична |
| Форма корпусу | На лапах |